您好,歡迎光臨帝國科技!
產品分類
PRODUCT
PRODUCT
- 國產晶振
- 聲表面濾波器
- 石英晶體
- 石英晶振
- 貼片晶振
- 陶瓷晶振
- 陶瓷濾波器
- 陶瓷霧化片
- 進口晶振
- MERCURY晶振
- Fujicom晶振
- 日本大真空晶振
- 愛普生晶振
- 西鐵城晶振
- 精工晶振
- 村田陶瓷晶振
- 日本京瓷晶振
- 日本進口NDK晶體
- 大河晶振
- TXC晶振
- 亞陶晶振
- 臺灣泰藝晶體
- 臺灣鴻星晶體
- 美國CTS晶體
- 微孔霧化片
- 加高晶振
- 希華石英晶振
- AKER晶振
- NAKA晶振
- SMI晶振
- NJR晶振
- NKG晶振
- Sunny晶振
- 歐美晶振
- Abracon晶振
- ECS晶振
- Golledge晶振
- IDT晶振
- Jauch晶振
- Pletronics晶振
- Raltron晶振
- SiTime晶振
- Statek晶振
- Greenray晶振
- 康納溫菲爾德晶振
- Ecliptek晶振
- Rakon晶振
- Vectron晶振
- 微晶晶振
- AEK晶振
- AEL晶振
- Cardinal晶振
- Crystek晶振
- Euroquartz晶振
- FOX晶振
- Frequency晶振
- GEYER晶振
- KVG晶振
- ILSI晶振
- MMDCOMP晶振
- MtronPTI晶振
- QANTEK晶振
- QuartzCom晶振
- Quarztechnik晶振
- Suntsu晶振
- Transko晶振
- Wi2Wi晶振
- ACT晶振
- MTI晶振
- Lihom晶振
- Rubyquartz晶振
- Oscilent晶振
- SHINSUNG晶振
- ITTI晶振
- PDI晶振
- ARGO晶振
- IQD晶振
- Microchip晶振
- Silicon晶振
- Fortiming晶振
- CORE晶振
- NIPPON晶振
- NICKC晶振
- QVS晶振
- Bomar晶振
- Bliley晶振
- GED晶振
- FILTRONETICS晶振
- STD晶振
- Q-Tech晶振
- Anderson晶振
- Wenzel晶振
- NEL晶振
- EM晶振
- PETERMANN晶振
- FCD-Tech晶振
- HEC晶振
- FMI晶振
- Macrobizes晶振
- AXTAL晶振
帝國博客
更多>>- 規格型號:15931765
- 頻率:0.750~1350MHZ
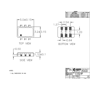
- 尺寸:5.0*3.2mm
- 產品描述:IDT晶振,XLL晶振,LVDS輸出晶振,IDT是為4G、5G和云計算等無線基礎設施應用而設計的高性能的領先創新者。解決方案包括行業領先的射頻信號鏈產品,串行RapidIO,和先進的時機。IDT為高性能的網絡通信應用提供了廣泛的解決方...
IDT晶振,XLL晶振,LVDS輸出晶振
.jpg)
IDT晶振,XLL晶振,LVDS輸出晶振,IDT是為4G、5G和云計算等無線基礎設施應用而設計的高性能的領先創新者。解決方案包括行業領先的射頻信號鏈產品,串行RapidIO®,和先進的時機。IDTde提供高效DDR3和DDR4 LRDIMM內存接口解決方案,串行RapidIO®,PCI Express®開關和橋梁,信號完整性的產品,世界級的時機、高性能計算、高效電源管理解決方案和基于云計算的企業服務器應用程序。
IDT晶振在德國的全資子公司- IDT歐洲有限公司(前身為ZMD AG)運營其卓越的汽車中心。本公司卓越的子公司/中心是ts - 16949,根據iso26262的標準,支持功能性安全要求。了解更多關于IDT的汽車質量。
由于微電子器件的功率耗散,熱能的管理很重要,可以從任何電子產品中獲得最好的性能。一種微電子設備的工作溫度決定了產品的速度和可靠性。IDT積極提高產品和包裝,以產生最快、最可靠的設備。然而,由于產品性能往往受到其實現的影響,因此建議仔細考慮影響設備運行溫度的因素,以達到最好的效果。專業提供差分晶振,有源晶振等晶振產品.IDT晶振,XLL晶振,LVDS輸出晶振.

| 型號 | 符號 | XLL(5032) |
| 輸出規格 | - | LVDS |
| 輸出頻率范圍 | fo | 0.750~1350MHz |
| 電源電壓 | VCC | +2.5V±0.125V/+3.3V±0.165V |
|
頻率公差 (含常溫偏差) |
f_tol | ±50×10-6 max., ±100×10-6 max. |
| 保存溫度范圍 | T_stg | -40~+85℃ |
| 運行溫度范圍 | T_use | -10~+70℃ ,-40~+85℃ |
| 消耗電流 | ICC | 20mA max. |
| 待機時電流(#1引腳"L") | I_std | 10μA max. |
| 輸出負載 | Load-R | 100Ω (Output-OutputN) |
| 波形對稱 | SYM | 45~55% [at outputs cross point] |
| 0電平電壓 | VOL | - |
| 1電平電壓 | VOH | - |
| 上升時間 下降時間 | tr, tf | 0.4ns max. [20?80% Output-OutputN] |
| 差分輸出電壓 | VOD1, VOD2 | 0.247~0.454V |
| 差分輸出誤差 | ⊿VOD | 50mV [⊿VOD=|VOD1VOD2|] |
| 補償電壓 | VOS | 1.125~1.375V |
| 補償電壓誤差 | ⊿VOS | 50mV |
| 交叉點電壓 | Vcr | - |
| OE端子0電平輸入電壓 | VIL | VCC×0.3 max. |
| OE端子1電平輸入電壓 | VIH | VCC×0.7 min. |
| 輸出禁用時間 | tPLZ | 200ns |
| 輸出使能時間 | tPZL | 2ms |
| 周期抖動(1) | tRMS | 5ps typ. (13.5MHz≦fo<27MHz) / 2.5ps typ. (27MHz≦fo<212.5MHz) (σ) |
| tp-p | 33ps typ. (13.5MHz≦fo<27MHz) / 22ps typ. (27MHz≦fo<212.5MHz) (Peak to peak) | |
| 總抖動(1) | tTL | 50ps typ. (13.5MHz≦fo<27MHz) / 35ps typ. (27MHz≦fo<212.5MHz) [tDJ + n×tRJ n=14.1(BER=1×10-12) (2)] |
| 相位抖動 | tpj |
1.5ps max. (13.5MHz≦fo<27MHz) / 1ps max. (27MHz≦fo<212.5MHz) [13.5MHz≦fo<40MHz,fo offset:12kHz?5MHz fo≧40MHz,fo offset:12kHz~20MHz] |
.jpg)

存儲事項(1) 在更高或更低溫度或高濕度環境下長時間保存晶體產品時,會影響頻率穩定性或焊接性。請在正常溫度和濕度環境下保存這些晶體產品,并在開封后盡可能進行安裝,以免長期儲藏。
正常溫度和濕度:
溫度:+15°C 至 +35°C,濕度 25 % RH 至 85 % RH(請參閱“測試點JIS C 60068-1 / IEC 60068-1的標準條件”章節內容)。
(2) 請仔細處理內外盒與卷帶。外部壓力會導致卷帶受到損壞。
安裝時注意事項
耐焊性
加熱包裝材料至+150°C以上會破壞產品特性或損害產品。如需在+150°C以上焊接晶體產品,建議使用SMD產品。在下列回流條件下,對晶體產品甚至SMD產品使用更高溫度,會破壞產品特性。建議使用下列配置情況的回流條件。安裝這些產品之前,應檢查焊接溫度和時間。同時,在安裝條件更改的情況下,請再次進行檢查。如果需要焊接的石英晶體產品在下列配置條件下進行焊接,請聯系我們以獲取耐熱的相關信息。
(1)柱面式產品和DIP產品
型號 焊接條件
[ 柱面式 音叉晶振]
C-類型,C-2-類型,C-4-類型 +280°C或低于@最大值5 s
請勿加熱封裝材料超過+150°C
[ 柱面式 ]
CA-301
[ DIP ]
SG-51 / 531, SG-8002DB DC,
RTC-72421 / 7301DG +260°C或低于@最大值 10 s
請勿加熱封裝材料超過+150°C
(2)SMD晶振產品回流焊接條件(實例)
用于JEDEC J-STD-020D.01回流條件的耐熱可用性需個別判斷。請聯系我們以便獲取相關信息。
盡可能使溫度變化曲線保持平滑。IDT晶振,XLL晶振,LVDS輸出晶振.


深圳市帝國科技有限公司
SHENZHEN DIGUO TECHONLOGY CO.,LTD
手 機:86-13826527865
電 話:86-0755-27881119 QQ:921977998
E-mail:dgkjly@163.com
網 址:www.mlnic.org.cn
地 址:中國廣東省深圳市寶安區西鄉大道新湖路










業務經理