您好,歡迎光臨帝國科技!
產品分類
PRODUCT
PRODUCT
- 國產晶振
- 聲表面濾波器
- 石英晶體
- 石英晶振
- 貼片晶振
- 陶瓷晶振
- 陶瓷濾波器
- 陶瓷霧化片
- 進口晶振
- MERCURY晶振
- Fujicom晶振
- 日本大真空晶振
- 愛普生晶振
- 西鐵城晶振
- 精工晶振
- 村田陶瓷晶振
- 日本京瓷晶振
- 日本進口NDK晶體
- 大河晶振
- TXC晶振
- 亞陶晶振
- 臺灣泰藝晶體
- 臺灣鴻星晶體
- 美國CTS晶體
- 微孔霧化片
- 加高晶振
- 希華石英晶振
- AKER晶振
- NAKA晶振
- SMI晶振
- NJR晶振
- NKG晶振
- Sunny晶振
- 歐美晶振
- Abracon晶振
- ECS晶振
- Golledge晶振
- IDT晶振
- Jauch晶振
- Pletronics晶振
- Raltron晶振
- SiTime晶振
- Statek晶振
- Greenray晶振
- 康納溫菲爾德晶振
- Ecliptek晶振
- Rakon晶振
- Vectron晶振
- 微晶晶振
- AEK晶振
- AEL晶振
- Cardinal晶振
- Crystek晶振
- Euroquartz晶振
- FOX晶振
- Frequency晶振
- GEYER晶振
- KVG晶振
- ILSI晶振
- MMDCOMP晶振
- MtronPTI晶振
- QANTEK晶振
- QuartzCom晶振
- Quarztechnik晶振
- Suntsu晶振
- Transko晶振
- Wi2Wi晶振
- ACT晶振
- MTI晶振
- Lihom晶振
- Rubyquartz晶振
- Oscilent晶振
- SHINSUNG晶振
- ITTI晶振
- PDI晶振
- ARGO晶振
- IQD晶振
- Microchip晶振
- Silicon晶振
- Fortiming晶振
- CORE晶振
- NIPPON晶振
- NICKC晶振
- QVS晶振
- Bomar晶振
- Bliley晶振
- GED晶振
- FILTRONETICS晶振
- STD晶振
- Q-Tech晶振
- Anderson晶振
- Wenzel晶振
- NEL晶振
- EM晶振
- PETERMANN晶振
- FCD-Tech晶振
- HEC晶振
- FMI晶振
- Macrobizes晶振
- AXTAL晶振
帝國博客
更多>>- 規格型號:43314722
- 頻率:32.768KHZ
- 尺寸:1.0*4.0mm
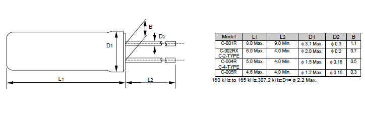
- 產品描述:石英晶體諧振器,C-005R圓柱晶振,32.768KHZ愛普生晶體,32.768K系列產品本身具有體積小,"C-005R 32.7680K-AC"厚度薄,重量輕等特點,此音叉型石英晶體諧振器,晶振產品本身具備優良的耐熱性,耐環境特性,在辦公自動化,家電領...
石英晶體諧振器,C-005R圓柱晶振,32.768KHZ愛普生晶體,C-005R 32.7680K-AC
.jpg)
石英晶體諧振器,C-005R圓柱晶振,32.768KHZ愛普生晶體,32.768K系列產品本身具有體積小,"C-005R 32.7680K-AC",厚度薄,重量輕等特點,此音叉型石英晶體諧振器,晶振產品本身具備優良的耐熱性,耐環境特性,在辦公自動化,家電領域,移動通信領域可發揮優良的電氣特性,符合無鉛標準,滿足無鉛焊接的回流溫度曲線要求.

| 晶振參數 | 符號 | C-005R | |
| 標準頻率 | fo | 32.768KHZ | |
| 存儲溫度 | T_stg | -20℃ ~ + 70℃ | |
| 工作溫度 | T_use | -10℃ ~ + 60℃ | |
| 頻率穩定度 | F_tol | ±20.0×10-6 Max | |
| 激進電平 | DL | 1.0 uW Max | |
| 轉換溫度 | TI | ﹢25℃± 5℃ | |
| 拋物系數 | B | -0.04 ×10-6 /℃2 Max | |
| 耐沖擊性 | S.R | ±10 ×10-6 Max | |
| 負載電容 | CL | 6pF,12.5pF | |
| 串聯電阻(ESR) | R1 | 50 KΩ Max | |
| 頻率老化 | F_age | ± 3 ×10-6 /years Max | |


"C-005R 32.7680K-AC",當把石英共振子與振蕩線路或集成電路(IC)一起整合在一個封裝內, 由外部提供電源電壓, 形成一個主動組件輸出頻率信號, 就是所謂的石英晶體振蕩器. 石英晶體振蕩器可以藉由單一封裝組件內部不同的振蕩線路及輸出線路, 提供不同特性需求的參考頻率(reference frequency). 例如有 石英頻率振蕩器SPXO ( Simple Package Crystal Oscillator ) 或稱為 CXO ( Clock Crystal Oscillator ), 可程序化石英晶體振蕩器PCXO ( Programmable Crystal Oscillator ), 電壓控制石英晶體振蕩器VCXO ( Voltage Controlled Crystal Oscillator ), 溫度補償石英晶體振蕩器TCXO ( Temperature Compensated Crystal Oscillator ) 及 恒溫槽控制石英晶體振蕩器OCXO ( Oven Controlled Crystal Oscillator ).
為了滿足應用面需求而言, 石英晶體振蕩器內部的振蕩線路有以基本波或三倍頻不同方式. 若要達到數佰兆赫的輸出頻率時, 振蕩線路后級可以采用鎖相回路方式或倍頻方式, 將較低頻率的石英振蕩頻率提升. 對于輸出端的輸出準位及輸出波形也有各類不同需求,如 CMOS, LVPECL, LVDS…..等. 這些規格都要仔細的定義.
在(圖)提供了數種石英振蕩器輸出頻率對溫度變化的穩定性示義圖.


愛普生把《經營理念》置于企業經營的軸心.在遵守法律法規和企業道德倫理的基礎上,通過創造超越顧客期待的價值的企業活動,建立與全體利益相關方之間的信賴關系并伴隨社會共同發展,從而為創造更美好的社會而做出積極的貢獻."C-005R 32.7680K-AC"
為了實現《經營理念》,愛普生在2005年制定了《企業行動準則》,明確為顧客、股東和投資家等所有利益相關方所應注意的事項及應采取的行動,并在整個集團貫徹落實.2006年,在《企業行動準則》的基礎上制定了《員工行為規范》,明確每位員工應采取的行動.《員工行為規范》根據社會環境的變化以及法律法規的動向而隨時修訂.


愛普生緊扣客戶需求,提供高品質,高信賴度的產品及優質服務.日本國內和海外各事業部率先取得IS0900認證.并且,還率先取得大型汽車制造企業所要求的ISO/TS 16949認證.
ISO/TS 16949是以QS-900為基準,根據汽車制造業所要求的標準更加嚴格的認證,此認證標準在世界各國是通用的
石英領域品質方針"C-005R 32.7680K-AC"
我們將時刻意識到顧客所在,通過創造和實現顧客價值而提供讓顧客滿意和信賴的商品與服務.
并恒久開展業務改革,從而提高工作質量、實現“QCDS”之目標.
對于所面臨的課題,我們將基于五項主義追究其真因,本著原理原則旋轉“PDCA”的循環,科學而合理地給予解決.

深圳市帝國科技有限公司SHENZHEN DIGUO TECHONLOGY CO.,LTD
聯系人:譚蘭艾 手 機:86-13826527865
電 話:86-0755-27881119 QQ:921977998
E-mail:dgkjly@163.com
網 址:www.mlnic.org.cn
地 址:中國廣東省深圳市寶安區西鄉大道新湖路




.jpg)


業務經理