PRODUCT
- 國產晶振
- 聲表面濾波器
- 石英晶體
- 石英晶振
- 貼片晶振
- 陶瓷晶振
- 陶瓷濾波器
- 陶瓷霧化片
- 進口晶振
- MERCURY晶振
- Fujicom晶振
- 日本大真空晶振
- 愛普生晶振
- 西鐵城晶振
- 精工晶振
- 村田陶瓷晶振
- 日本京瓷晶振
- 日本進口NDK晶體
- 大河晶振
- TXC晶振
- 亞陶晶振
- 臺灣泰藝晶體
- 臺灣鴻星晶體
- 美國CTS晶體
- 微孔霧化片
- 加高晶振
- 希華石英晶振
- AKER晶振
- NAKA晶振
- SMI晶振
- NJR晶振
- NKG晶振
- Sunny晶振
- 歐美晶振
- Abracon晶振
- ECS晶振
- Golledge晶振
- IDT晶振
- Jauch晶振
- Pletronics晶振
- Raltron晶振
- SiTime晶振
- Statek晶振
- Greenray晶振
- 康納溫菲爾德晶振
- Ecliptek晶振
- Rakon晶振
- Vectron晶振
- 微晶晶振
- AEK晶振
- AEL晶振
- Cardinal晶振
- Crystek晶振
- Euroquartz晶振
- FOX晶振
- Frequency晶振
- GEYER晶振
- KVG晶振
- ILSI晶振
- MMDCOMP晶振
- MtronPTI晶振
- QANTEK晶振
- QuartzCom晶振
- Quarztechnik晶振
- Suntsu晶振
- Transko晶振
- Wi2Wi晶振
- ACT晶振
- MTI晶振
- Lihom晶振
- Rubyquartz晶振
- Oscilent晶振
- SHINSUNG晶振
- ITTI晶振
- PDI晶振
- ARGO晶振
- IQD晶振
- Microchip晶振
- Silicon晶振
- Fortiming晶振
- CORE晶振
- NIPPON晶振
- NICKC晶振
- QVS晶振
- Bomar晶振
- Bliley晶振
- GED晶振
- FILTRONETICS晶振
- STD晶振
- Q-Tech晶振
- Anderson晶振
- Wenzel晶振
- NEL晶振
- EM晶振
- PETERMANN晶振
- FCD-Tech晶振
- HEC晶振
- FMI晶振
- Macrobizes晶振
- AXTAL晶振
帝國博客
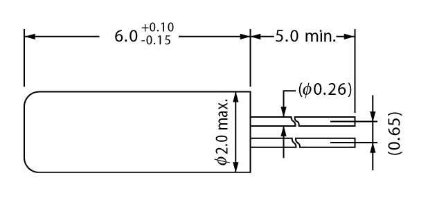
更多>>- 規格型號:54395096
- 頻率:32.768KHZ
- 尺寸:2.0*6.0mm
- 產品描述:石英晶體諧振器,VT-200-FL藍牙晶振,"VT200F-6PF20PPM"精工2*6mm晶振,32.768K晶振在所有的電路板中起到的作用,就是用于時間顯示,時間的精準值就是由其晶振的精度值決定的.該款與普通用的石英晶振(負載容量12.5pF)產品相...
石英晶體諧振器,VT-200-FL藍牙晶振,精工2*6mm晶振,VT200F-6PF20PPM
.jpg)
石英晶體諧振器,VT-200-FL藍牙晶振,精工2*6mm晶振,32.768K晶振,"VT200F-6PF20PPM",在所有的電路板中起到的作用,就是用于時間顯示,時間的精準值就是由其晶振的精度值決定的.該款與普通用的石英晶振(負載容量12.5pF)產品相比,可將待機時的消耗電力削減到原有的1/10,優良的驅動特性,符合RoHS指令產品,完全無鉛化.廣泛用于要求降低待機消耗電力的家電產品和要求延長電池使用壽命的電池驅動設備中.

| 精工晶振參數 | 符號 | VT-200-FL規格 |
| 公稱頻率 | f_nom | 32.768kHz |
| 頻率容許偏差 | f_tol | ±20 x 10-6 |
| 頂點溫度 | Ti | +25±5ºC |
| 二級溫度系數 | B | (−3.5±1.0) x 10-8/ºC2 |
| 負載容量 | CL | 3.7pF,4.4pF,6.0pF |
| 串聯電阻 | R1 | 50kΩ max |
| 絕對最大激勵等級 | DL最大值 | 1μW |
| 推薦激勵等級 | DL | 0.01μW |
| 并聯電容 | C 0 | 0.9pF typ |
| 頻率老化程度 | f_age | ±3 x 10-6 |
| 工作溫度范圍 | T_use | −40ºC to +85ºC |
| 保存溫度范圍 | T_stg | −40ºC to +85ºC |



"VT200F-6PF20PPM", 音叉型石英晶振的頻率溫度特性如左側的曲線圖所示,顯示了以+25°C為頂點的負向2次方程曲線. 溫度范圍越寬,則頻率的變化量也越大,因此,需要 考慮一下所使用環境的溫度范圍和必要的精度.
[頻率溫度特性的近似公式]
f_tem = B(T-Ti) 2
B : 二次溫度系數
T : 任意的溫度
Ti : 頂點溫度

為了讓各家業務公司能夠高效靈活地實施經營,精工控股株式會社作為持股公司將提供有力支持,同時,在集團橫向活動中將加大力度,以確保SEIKO品牌實力得到提高,通過這些舉措讓各家公司合作而產生的協同效應得到最大化.
精工永恒的主題就是依靠“可靠的質量”,向顧客傳遞放心與滿意.
我們將“成為被社會信賴的公司”作為集團的基本理念,每名員工都要牢記只有“可靠的質量”才是連接顧客與我們的最佳交流方式.我們希望不僅向日本國內的顧客,還要向全世界的顧客提供值得信賴的商品與服務..jpg)

"VT200F-6PF20PPM", SII作為優秀的企業市民,以企業活動與地球環境相融合為目標,為保護環境而不斷地 努力向上,為實現與所有的生命體持續同處共榮的社會做出貢獻.積極推進節省能源的工作,為防止全球性溫暖化做出貢獻.
推廣制造工程的節省能源化
通過實施空調設備的有效運行等手段,在擴大銷售額的同時,削減 CO2的排放量.
推廣節省能源活動
繼續貫徹以零排出為目標,推進制造工程中使用部件的3R (縮減、再利用、反復再利用).并且,在日常生產活動中實施減少 水、廢棄物品、化學藥品使用量等的節省能源活動.
推廣綠化采購活動
SII集團制定了“綠化采購的基本原則”,在廣大供應商的協助下積極推進綠化采購.
深圳市帝國科技有限公司
SHENZHEN DIGUO TECHONLOGY CO.,LTD
聯系人:譚蘭艾 手 機:86-13826527865
電 話:86-0755-27881119 QQ:921977998
E-mail:dgkjly@163.com
網 址:www.mlnic.org.cn
地 址:中國廣東省深圳市寶安區西鄉大道新湖路






業務經理